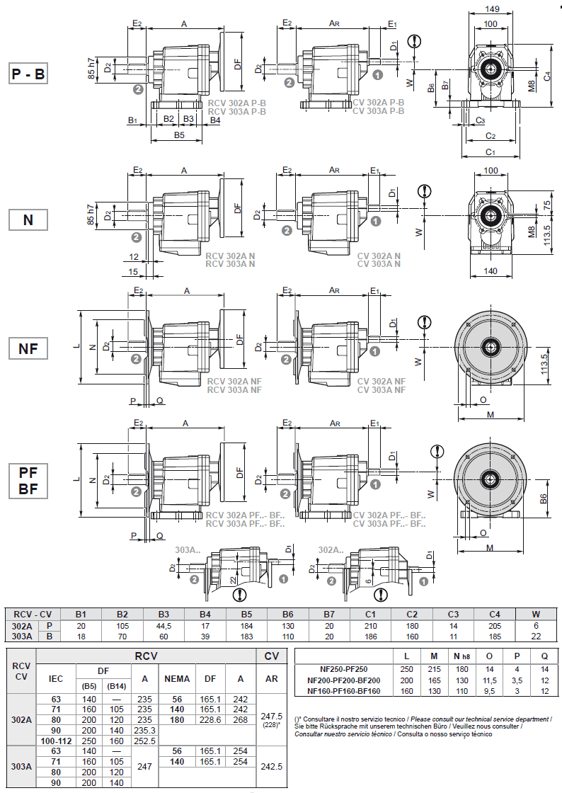
Габаритные и присоединительные размеры RCV 302A-303A

 

Назад

Габаритные и присоединительные размеры RCV 302A-303A

Габаритные и присоединительные размеры RCV 302A-303A

 

Назад

 
© 2014 Редукторы, мотор-редукторы, устройства плавного пуска, преобразователи частоты