|

Одноступенчатые червячные мотор-редукторы STM (СТМ) серии RMI 28, RMI40, RMI 50, RMI 63, RMI 70, RMI 85, RMI 110, RMI 130, RMI 150, RMI 180: характеристики, устройство, принцип работы, цена |
|
Червячные мотор-редукторы Итальянского производства серии RMI предназначены для понижения оборотов электродвигателя в диапазоне мощностей 0,06 – 37 кВт. Редукторы изготовлены из высококачественных материалов, что гарантирует надежность и долговечность изделия. Мотор-редукторы RMI имеют практичный корпус со съемными лапами и фланцем, что позволяет устанавливать их в любом удобном для работы положении. Корпуса RMI 28, RMI40, RMI 50, RMI 63, RMI 70 отливаются из алюминия SGALSi91 UNI 7369/3, а типоразмеры RMI 85, RMI 110, RMI 150, RMI 180 из чугуна с последующей механической обработкой. В производстве редукторов RMI применяются самые последние разработки итальянских инженеров, результатом которых стало улучшение характеристик КПД и понижение рабочего шума. В составе с редукторами RMI могут применяться электродвигатели с тормозом и двигатели во взрывозащищенном исполнении, вариаторы, ограничители крутящего момента и т.д.
Передаточные отношения 5 - 100
Обороты тихоходного вала 7 - 560 об/мин
Крутящий момент 10 - 2900 Нм
Мощность электродвигателя 0,06 - 37 кВт |
|
Серия имеет следующие типоразмеры:
RMI 28, RMI40, RMI 50, RMI 63, RMI 70, RMI 85, RMI 110, RMI 150, RMI 180

Система обозначения червячных мотор-редукторов серии RMI
RMI |
40 |
– 20 |
– 70 |
– 0,37 |
– S |
1 |
2 |
3 |
4 |
5 |
6 |
1 – Cерия редуктора (RMI )
2 – Межосевое расстояние, мм (28, 40, 50, 63, 70, 85, 110, 130, 150, 180)
3 – Номинальное передаточное отношение редуктора
4 – Число оборотов выходного вала , об/мин
5 – Мощность электродвигателя , кВт
6 – Монтажное положение (S, I, D, FL, P, PP) |
Типоразмер |
M max, Нм |
D - выходного вала,
мм |
RMI 28 |
30 |
14 |
RMI 40 |
62 |
19 (18) |
RMI 50 |
105 |
24 (25) |
RMI 63 |
200 |
25 |
RMI 70 |
310 |
28 |
RMI 85 |
590 |
32 (35) |
RMI 110 |
890 |
42 |
RMI 130 |
1229 |
48 |
RMI 150 |
1836 |
55 |
RMI 180 |
3000 |
65 |
|
Габаритные и присоединительные размеры
Реактивная штанга, выходной вал - размеры
Монтажные положения и количество масла, заливаемого в мотор-редукторы RMI
Вес червячных редукторов серии RMI, кг
Выходные обороты и мощность электродвигателей (кВт)

RI
RMI |
A |
a |
B |
b |
C |
D H7 |
d j6 |
E |
f |
H |
I |
L |
M |
m |
N |
S |
T |
28 |
67 |
52 |
78 |
66 |
30 |
14 |
9 |
40 |
5,5 |
52 |
28 |
20 |
47 |
M4 |
44,5 (46) |
6 |
49 |
40 |
100 |
70 |
102 |
84 |
41 |
19 (18) |
11 |
59 |
7 |
71 |
40 |
22 |
64 |
M5 |
61,5 |
8 |
66 |
50 |
120 |
85 |
119 |
99 |
49 |
24 (25) |
14 |
69 |
9 |
85 |
50 |
30 |
74 |
M6 |
72,5 |
10 |
80 |
63 |
140 |
95 |
136 |
111 |
60 |
25 |
18 |
81 |
11 |
100 |
63 |
45 |
96 |
M6 |
84 |
11 |
99 |
70 |
158 |
120 |
140 |
116 |
60 |
28 |
19 |
87 |
11 |
115 |
70 |
40 |
97 |
M8 |
92 |
13 |
108 |
85 |
193 |
140 |
168 |
140 |
61 |
32 (35) |
24 |
105 |
13 |
135 |
85 |
50 |
115 |
M8 |
111 |
15 |
135 |
110 |
250 |
200 |
200 |
162 |
77,5 |
42 |
28 |
135 |
14 |
172 |
110 |
60 |
146 |
M8 |
142 |
17 |
170 |
130 |
286 |
235 |
230 |
190 |
90 |
48 |
38 |
154 |
15 |
200 |
130 |
80 |
166 |
M10 |
161,5 |
19 |
195 |
150 |
336 |
260 |
250 |
210 |
105 |
55 |
42 |
178 |
19 |
230 |
150 |
100 |
195 |
M12 |
189 |
20 |
224 |
180 |
400 |
310 |
320 |
260 |
120 |
65 |
48 |
210 |
22 |
265 |
180 |
110 |
235 |
M14 |
232 |
22 |
265 |
RMI |
28 |
40 |
50 |
63 |
70 |
85 |
110 |
130 |
150 |
180 |
Y |
K |
Y |
K |
Y |
K |
Y |
K |
Y |
K |
Y |
K |
Y |
K |
Y |
K |
Y |
K |
Y |
K |
B5 |
120 |
49 |
120 |
63,5 |
140 |
77 |
160 |
95 |
160 |
100 |
160 |
118 |
200 |
145 |
250 |
163 |
250 |
190 |
- |
- |
- |
- |
140 |
63,5 |
160 |
77 |
200 |
95 |
200 |
100 |
200 |
118 |
250 |
145 |
300 |
163 |
300 |
190 |
300 |
234 |
- |
- |
160 |
71 |
200 |
81 |
- |
- |
- |
- |
250 |
120 |
300 |
145,5 |
- |
- |
350 |
197 |
350 |
234 |
B14 |
80 |
49 |
80 |
63,5 |
90 |
77 |
105 |
95 |
105 |
100 |
120 |
118 |
160 |
145 |
- |
- |
- |
- |
- |
- |
90 |
51 |
90 |
63,5 |
105 |
77 |
120 |
95 |
120 |
100 |
140 |
118 |
- |
- |
- |
- |
- |
- |
- |
- |
- |
- |
105 |
71 |
120 |
81 |
140 |
95 |
140 |
100 |
160 |
120 |
- |
- |
- |
- |
- |
-- |
- |
- |
- |
- |
- |
- |
- |
- |
- |
- |
160 |
100 |
- |
- |
- |
- |
- |
- |
- |
- |
- |
- |

RI
RMI |
C |
D H7 |
d j6 |
E |
I |
L |
M |
m |
N |
T |
28 |
30 |
14 |
9 |
40 |
28 |
20 |
47 |
M4 |
44,5 (46) |
49 |
40 |
41 |
19 (18) |
11 |
59 |
40 |
22 |
64 |
M5 |
61,5 |
66 |
50 |
49 |
24 (25) |
14 |
69 |
50 |
30 |
74 |
M6 |
72,5 |
80 |
63 |
60 |
25 |
18 |
81 |
63 |
45 |
96 |
M6 |
84 |
99 |
70 |
60 |
28 |
19 |
87 |
70 |
40 |
97 |
M8 |
92 |
108 |
85 |
61 |
32 (35) |
24 |
105 |
85 |
50 |
115 |
M8 |
111 |
135 |
110 |
77,5 |
42 |
28 |
135 |
110 |
60 |
146 |
M8 |
142 |
170 |
130 |
90 |
48 |
38 |
154 |
130 |
80 |
166 |
M10 |
161,5 |
195 |
150 |
105 |
55 |
42 |
178 |
150 |
100 |
195 |
M12 |
189 |
224 |
180 |
120 |
65 |
48 |
210 |
180 |
110 |
235 |
M14 |
232 |
265 |
RI
RMI |
F |
G H8 |
P |
R |
U |
V |
Z |
Fp |
Gp h8 |
Pp |
Rp |
Up |
Vp |
28 |
70 |
40 |
49 |
56 |
5 |
6 |
5 |
67 |
42 (H8) |
36 |
56 |
7 |
M6 |
40 |
140° |
95 |
82 |
115 |
5 |
8,5 |
9 |
95 |
60 |
38 |
83 |
2 |
M6 |
50 |
160° |
110 |
91,5 |
130 |
5 |
10 |
10 |
105 |
70 |
49 |
85 |
2,5 |
M8 |
63 |
180° |
115 |
116 |
150 |
5 |
11 |
11 |
105 |
70 |
57,5 |
85 |
3,5 |
M8 |
70 |
200° |
130 |
111 |
165 |
5 |
13 |
11 |
120 |
80 |
57 |
100 |
5 |
M8 |
85 |
200 |
130 |
100 |
165 |
5 |
13 |
12 |
144 |
110 |
56,5 |
130 |
3,5 |
M10 |
110 |
250 |
180 |
150 |
215 |
5 |
15 |
16 |
200 |
130 |
74 |
165 |
3 |
M12 |
130 |
300 |
230 |
150 |
265 |
5 |
15 |
18 |
242 |
180 |
87 |
215 |
5 |
M12 |
150 |
350 |
250 |
160 |
300 |
6 |
19 |
18 |
250 |
180 |
102 |
215 |
5 |
M14 |
180 |
400 |
300 |
180 |
350 |
6,5 |
22 |
22 |
300 |
230 |
117 |
265 |
5 |
M16 |

RI RMI |
F |
G H8 |
P |
R |
U |
V |
Z |
C |
D H7 |
d j6 |
E |
I |
L |
M |
m |
N |
T |
28 |
F1
F2 |
80
95 |
50
70 |
53
72 |
62
85 |
4
4 |
6
6.5 |
7
8 |
30 |
14 |
9 |
40 |
28 |
20 |
47 |
M4 |
44.5(46)* |
49 |
40 |
F1
F2 |
106
120 |
60
80 |
69
62 |
87
100 |
5
5 |
8.5
9 |
9
9 |
41 |
19 (18) |
11 |
59 |
40 |
22 |
64 |
M5 |
61.5 |
66 |
50 |
F1
F2
F3
F4 |
125
125
140
125 |
70
70
95
70 |
93
73
75
85 |
90
100
115
90 |
5
4
4
5 |
10.5
9
9
10.5 |
10
9
9
11 |
49 |
24 (25) |
14 |
69 |
50 |
30 |
74 |
M6 |
72.5 |
80 |
63 |
F1°
F2°
F3° |
175
200
160 |
115
130
110 |
86
102
82 |
150
165
130 |
5
5
5 |
11
13
10 |
11
11
11 |
60 |
25 |
18 |
81 |
63 |
45 |
96 |
M6 |
81 |
99 |
70 |
F1°
F2°
F3° |
175
175
160 |
115
115
110 |
116
85
101 |
150
150
130 |
5
5
6 |
11
11
11 |
10
10
11 |
60 |
28 |
19 |
87 |
70 |
40 |
97 |
M8 |
92 |
108 |
85 |
F1
F2
F3 |
200
210
160 |
130
152
110 |
141
120
91 |
165
176
130 |
6
5
5 |
13
13
11.5 |
12
14
10 |
61 |
32 (35) |
24 |
105 |
85 |
50 |
115 |
M8 |
111 |
135 |
110 |
F1
F2
F3 |
200
270
270 |
130
170
170 |
115
132
178 |
165
230
230 |
5
10
10 |
13
13.5
13.5 |
12
18
18 |
77.5 |
42 |
28 |
135 |
110 |
60 |
146 |
M8 |
142 |
170 |
180 |
F2 |
400 |
300 |
150 |
350 |
6.5 |
22 |
22 |
120 |
65 |
48 |
210 |
180 |
110 |
235 |
M14 |
232 |
265 |
Назад
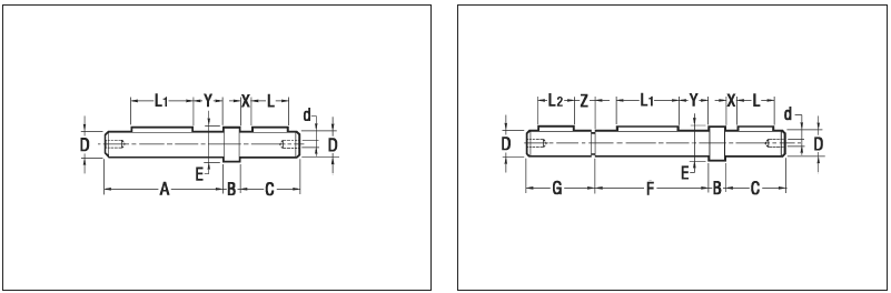
Реактивная штанга, выходной вал

RI-RMI |
28 |
40 |
50 |
63 |
70 |
85 |
110 |
130 |
150 |
180 |
CRI-CRMI |
28/28 |
28/40
40/40 |
28/50
40/50 |
28/63
40/63 |
28/70
40/70
50/70
63/70 |
40/85
50/85
63/85
70/85 |
50/110
63/110
70/110
85/110 |
63/130
70/130
85/130 |
85/150
110/150 |
85/180
110/180
130/180 |
CR-CB |
- |
40 |
50 |
- |
70 |
85 |
110 |
- |
- |
- |
A |
58 |
80 |
95 |
109 |
117 |
119 |
153 |
177 |
207 |
239 |
B |
1,5 |
10 |
10 |
10 |
10 |
10 |
10 |
20 |
20 |
20 |
C |
29,5 |
40 |
45 |
60 |
60 |
71 |
100 |
110 |
110 |
130 |
Dg6 |
14 |
19 |
24 |
25 |
28 |
32 |
42 |
48 |
55 |
65 |
d |
M6 |
M8 |
M8 |
M8 |
M8 |
M10 |
M10 |
M10 |
M12 |
M14 |
E |
17 |
22 |
28 |
34 |
34 |
38 |
50 |
58 |
63 |
78 |
F |
60 |
82 |
98 |
120 |
120 |
122 |
155 |
180 |
210 |
240 |
G |
31 |
50 |
55 |
70 |
70 |
81 |
110 |
130 |
130 |
150 |
L |
20 |
25 |
30 |
40 |
40 |
50 |
80 |
90 |
90 |
100 |
L1 |
20 |
40 |
50 |
60 |
60 |
70 |
80 |
90 |
100 |
120 |
L2 |
20 |
25 |
30 |
40 |
40 |
50 |
80 |
90 |
90 |
100 |
X |
4,5 |
8 |
7,5 |
10 |
10 |
10 |
10 |
10 |
10 |
15 |
Y |
20 |
21 |
24 |
30 |
30 |
26 |
37 |
45 |
55 |
60 |
Z |
6 |
18 |
18 |
20 |
20 |
20 |
20 |
30 |
30 |
35 |
RI-RMI |
28 |
40 |
50 |
63 |
70 |
85 |
110 |
130 |
150 |
180 |
CRI-CRMI |
28/28 |
28/40
40/40 |
28/50
40/50 |
28/63
40/63 |
28/70
40/70
50/70
63/70 |
40/85
50/85
63/85
70/85 |
50/110
63/110
70/110
85/110 |
63/130
70/130
85/130 |
85/150
110/150 |
85/180
110/180
130/180 |
CR-CB |
- |
40 |
50 |
- |
70 |
85 |
110 |
- |
- |
- |
A |
70 |
90 |
100 |
150 |
150 |
200 |
250 |
300 |
350 |
400 |
B |
34,5 |
50 |
60 |
53 |
60 |
75 |
100 |
120 |
125 |
150 |
C |
119,5 |
165 |
185 |
230 |
240 |
313 |
388 |
465 |
525 |
610 |
D |
42,15 |
60 |
70 |
70 |
80 |
110 |
130 |
180 |
180 |
230 |
E |
56 |
83 |
85 |
85 |
100 |
130 |
165 |
215 |
215 |
265 |
F |
6,5 |
7 |
9 |
9 |
9 |
11 |
13 |
13 |
15 |
17 |
G |
- |
15 |
15 |
20 |
20 |
25 |
25 |
30 |
30 |
35 |
H |
9 |
10 |
10 |
10 |
10 |
20 |
20 |
25 |
25 |
35 |
I |
4 |
4 |
4 |
6 |
6 |
6 |
6 |
6 |
6 |
10 |
Назад
Монтажные положения и количество масла, заливаемого в мотор-редукторы RMI

Положение клемной коробки эл.двигателя

Назад
Выходные обороты и мощность электродвигателей (кВт)
Редуктор RMI 28
ir |
n1=2800, об/мин |
n1=1400, об/мин |
n1=900, об/мин |
n2,
об/мин |
T2M,
Н*м |
P,
кВт |
RD
% |
n2,
об/мин |
T2M,
Н*м |
P,
кВт |
RD
% |
n2,
об/мин |
T2M,
Н*м |
P,
кВт |
RD
% |
7 |
400 |
11 |
0.56 |
83 |
200 |
15 |
0.39 |
81 |
129 |
18 |
0.31 |
79 |
10 |
280 |
13 |
0.47 |
81 |
140 |
17 |
0.32 |
79 |
90 |
20 |
0.24 |
77 |
15 |
187 |
14 |
0.35 |
78 |
93 |
18 |
0.23 |
75 |
60 |
20 |
0.17 |
73 |
20 |
140 |
12 |
0.23 |
75 |
70 |
15 |
0.15 |
72 |
45 |
18 |
0.12 |
69 |
28 |
100 |
15 |
0.23 |
69 |
50 |
19 |
0.16 |
64 |
32 |
21 |
0.12 |
61 |
40 |
70 |
13 |
0.15 |
64 |
35 |
16 |
0.10 |
59 |
23 |
18 |
0.08 |
56 |
49 |
57 |
12 |
0.12 |
61 |
29 |
15 |
0.08 |
56 |
18 |
17 |
0.06 |
52 |
56 |
50 |
12 |
0.11 |
59 |
25 |
15 |
0.07 |
54 |
16 |
17 |
0.06 |
52 |
70 |
40 |
11 |
0.08 |
55 |
20 |
13 |
0.06 |
49 |
13 |
15 |
0.04 |
46 |
80 |
35 |
10 |
0.07 |
50 |
18 |
12 |
0.05 |
45 |
11 |
13 |
0.04 |
41 |
100 |
28 |
9 |
0.06 |
47 |
14 |
10 |
0.04 |
41 |
9 |
10 |
0.02 |
38 |
Редуктор RMI 40
ir |
n1=2800, об/мин |
n1=1400, об/мин |
n1=900, об/мин |
n2,
об/мин |
T2M,
Н*м |
P,
кВт |
RD
% |
n2,
об/мин |
T2M,
Н*м |
P,
кВт |
RD
% |
n2,
об/мин |
T2M,
Н*м |
P,
кВт |
RD
% |
7 |
400 |
27 |
1.3 |
84 |
200 |
37 |
0.93 |
83 |
129 |
44 |
0.73 |
81 |
10 |
280 |
31 |
1.1 |
83 |
140 |
42 |
0.76 |
81 |
90 |
49 |
0.58 |
79 |
15 |
187 |
32 |
0.78 |
80 |
93 |
42 |
0.53 |
77 |
60 |
49 |
0.41 |
75 |
20 |
140 |
29 |
0.56 |
76 |
70 |
37 |
0.37 |
73 |
45 |
43 |
0.29 |
70 |
28 |
100 |
34 |
0.50 |
71 |
50 |
43 |
0.34 |
67 |
32 |
50 |
0.26 |
64 |
40 |
70 |
32 |
0.36 |
65 |
35 |
40 |
0.24 |
60 |
23 |
45 |
0.19 |
56 |
49 |
57 |
30 |
0.29 |
62 |
29 |
38 |
0.20 |
57 |
18 |
43 |
0.16 |
53 |
56 |
50 |
28 |
0.24 |
60 |
25 |
36 |
0.17 |
54 |
16 |
40 |
0.13 |
51 |
70 |
40 |
23 |
0.18 |
53 |
20 |
28 |
0.12 |
47 |
13 |
32 |
0.10 |
44 |
80 |
35 |
21 |
0.15 |
50 |
18 |
26 |
0.11 |
44 |
11 |
29 |
0.09 |
40 |
100 |
28 |
23 |
0.13 |
51 |
14 |
28 |
0.09 |
45 |
9 |
30 |
0.07 |
41 |
Редуктор RMI 50
ir |
n1=2800, об/мин |
n1=1400, об/мин |
n1=900, об/мин |
n2,
об/мин |
T2M,
Н*м |
P,
кВт |
RD
% |
n2,
об/мин |
T2M,
Н*м |
P,
кВт |
RD
% |
n2,
об/мин |
T2M,
Н*м |
P,
кВт |
RD
% |
7 |
400 |
50 |
2.50 |
85 |
200 |
68 |
1.70 |
84 |
129 |
81 |
1.30 |
83 |
10 |
280 |
55 |
1.90 |
84 |
140 |
73 |
1.30 |
82 |
90 |
86 |
1.00 |
81 |
15 |
187 |
58 |
1.40 |
82 |
93 |
76 |
0.93 |
80 |
60 |
89 |
0.71 |
79 |
20 |
140 |
57 |
1.10 |
79 |
70 |
74 |
0.71 |
76 |
45 |
86 |
0.55 |
74 |
28 |
100 |
62 |
0.88 |
74 |
50 |
80 |
0.60 |
70 |
32 |
92 |
0.46 |
67 |
40 |
70 |
64 |
0.67 |
70 |
35 |
81 |
0.45 |
66 |
23 |
92 |
0.34 |
63 |
49 |
57 |
57 |
0.51 |
67 |
29 |
72 |
0.34 |
63 |
18 |
82 |
0.27 |
59 |
56 |
50 |
55 |
0.44 |
65 |
25 |
69 |
0.30 |
60 |
16 |
78 |
0.23 |
56 |
70 |
40 |
52 |
0.36 |
61 |
20 |
64 |
0.24 |
56 |
13 |
72 |
0.19 |
52 |
80 |
35 |
47 |
0.30 |
57 |
18 |
58 |
0.21 |
51 |
11 |
66 |
0.17 |
47 |
100 |
28 |
42 |
0.23 |
54 |
14 |
52 |
0.16 |
48 |
9 |
59 |
0.13 |
44 |
Редуктор RMI 63
ir |
n1=2800,об/мин |
n1=1400,об/мин |
n1=900,об/мин |
n2,
об/мин |
T2M,
Н*м |
P,
кВт |
RD
% |
n2,
об/мин |
T2M,
Н*м |
P,
кВт |
RD
% |
n2,
об/мин |
T2M,
Н*м |
P,
кВт |
RD
% |
7 |
400 |
84 |
4.1 |
86 |
200 |
115 |
2.9 |
84 |
129 |
137 |
2.2 |
84 |
10 |
280 |
93 |
3.2 |
84 |
140 |
126 |
2.2 |
83 |
90 |
149 |
1.7 |
81 |
15 |
187 |
98 |
2.3 |
82 |
93 |
131 |
1.6 |
80 |
60 |
153 |
1.2 |
78 |
20 |
140 |
104 |
1.9 |
80 |
70 |
136 |
1.3 |
77 |
45 |
158 |
0.99 |
75 |
28 |
100 |
105 |
1.5 |
75 |
50 |
135 |
1.0 |
71 |
32 |
156 |
0.77 |
68 |
40 |
70 |
113 |
1.2 |
71 |
35 |
145 |
0.79 |
67 |
23 |
166 |
0.61 |
64 |
49 |
57 |
98 |
0.85 |
69 |
29 |
125 |
0.58 |
64 |
18 |
142 |
0.45 |
61 |
56 |
50 |
101 |
0.79 |
67 |
25 |
127 |
0.54 |
62 |
16 |
145 |
0.42 |
58 |
70 |
40 |
94 |
0.62 |
63 |
20 |
117 |
0.42 |
58 |
13 |
133 |
0.33 |
54 |
80 |
35 |
88 |
0.53 |
61 |
18 |
110 |
0.37 |
55 |
11 |
124 |
0.29 |
51 |
100 |
28 |
80 |
0.41 |
57 |
14 |
99 |
0.28 |
51 |
9 |
112 |
0.22 |
47 |
Редуктор RMI 70
ir |
n1=2800,об/мин |
n1=1400,об/мин |
n1=900,об/мин |
n2,
об/мин |
T2M,
Н*м |
P,
кВт |
RD
% |
n2,
об/мин |
T2M,
Н*м |
P,
кВт |
RD
% |
n2,
об/мин |
T2M,
Н*м |
P,
кВт |
RD
% |
7 |
400 |
95 |
4.6 |
86 |
200 |
132 |
3.3 |
85 |
129 |
158 |
2.5 |
84 |
10 |
280 |
105 |
3.7 |
84 |
140 |
142 |
2.5 |
83 |
90 |
168 |
1.9 |
82 |
15 |
187 |
109 |
2.6 |
82 |
93 |
145 |
1.8 |
80 |
60 |
170 |
1.4 |
78 |
20 |
140 |
115 |
2.1 |
80 |
70 |
151 |
1.4 |
77 |
45 |
175 |
1.1 |
75 |
28 |
100 |
113 |
1.6 |
74 |
50 |
147 |
1.1 |
71 |
32 |
170 |
0.84 |
68 |
40 |
70 |
126 |
1.3 |
71 |
35 |
162 |
0.89 |
67 |
23 |
186 |
0.68 |
64 |
49 |
57 |
131 |
1.2 |
68 |
29 |
166 |
0.78 |
64 |
18 |
190 |
0.61 |
60 |
56 |
50 |
132 |
1.0 |
67 |
25 |
167 |
0.71 |
62 |
16 |
191 |
0.55 |
58 |
70 |
40 |
120 |
0.81 |
62 |
20 |
149 |
0.55 |
57 |
13 |
169 |
0.42 |
54 |
80 |
35 |
113 |
0.69 |
60 |
18 |
141 |
0.48 |
54 |
11 |
160 |
0.38 |
50 |
100 |
28 |
103 |
0.52 |
58 |
14 |
128 |
0.37 |
51 |
9 |
144 |
0.29 |
47 |
Редуктор RMI 85
ir |
n1=2800, об/мин |
n1=1400, об/мин |
n1=900, об/мин |
n2,
об/мин |
T2M,
Н*м |
P,
кВт |
RD
% |
n2,
об/мин |
T2M,
Н*м |
P,
кВт |
RD |
n2,
об/мин |
T2M,
Н*м |
P,
кВт |
RD
% |
7 |
400 |
177 |
8.6 |
86 |
200 |
247 |
6.1 |
85 |
129 |
297 |
4.8 |
84 |
10 |
280 |
205 |
7.1 |
85 |
140 |
280 |
4.9 |
84 |
90 |
332 |
3.8 |
83 |
15 |
187 |
211 |
5.0 |
82 |
93 |
283 |
3.4 |
81 |
60 |
333 |
2.6 |
79 |
20 |
140 |
236 |
4.3 |
81 |
70 |
310 |
2.9 |
79 |
45 |
362 |
2.2 |
77 |
28 |
100 |
210 |
2.9 |
75 |
50 |
275 |
2.0 |
72 |
32 |
319 |
1.6 |
69 |
40 |
70 |
242 |
2.5 |
72 |
35 |
312 |
1.7 |
69 |
23 |
359 |
1.3 |
66 |
49 |
57 |
225 |
1.9 |
70 |
29 |
287 |
1.3 |
65 |
18 |
329 |
1.0 |
62 |
56 |
50 |
223 |
1.7 |
70 |
25 |
283 |
1.1 |
66 |
16 |
322 |
0.87 |
62 |
70 |
40 |
208 |
1.3 |
66 |
20 |
261 |
0.90 |
61 |
13 |
297 |
0.70 |
57 |
80 |
35 |
194 |
1.1 |
63 |
18 |
243 |
0.77 |
58 |
11 |
276 |
0.60 |
54 |
100 |
28 |
172 |
0.85 |
59 |
14 |
217 |
0.60 |
53 |
9 |
243 |
0.46 |
50 |
Редуктор RMI 110
ir |
n1=2800, об/мин |
n1=1400, об/мин |
n1=900, об/мин |
n2,
об/мин |
T2M,
Н*м |
P,
кВт |
RD
% |
n2,
об/мин |
T2M,
Н*м |
P,
кВт |
RD
% |
n2,
об/мин |
T2M,
Н*м |
P,
кВт |
RD
% |
7 |
400 |
341 |
16.6 |
86 |
200 |
478 |
11.6 |
86 |
129 |
577 |
9.1 |
85 |
10 |
280 |
391 |
13.5 |
85 |
140 |
537 |
9.3 |
85 |
90 |
640 |
7.2 |
84 |
15 |
187 |
396 |
9.3 |
83 |
93 |
535 |
6.4 |
82 |
60 |
632 |
5.0 |
80 |
20 |
140 |
465 |
8.3 |
82 |
70 |
617 |
5.6 |
81 |
45 |
722 |
4.3 |
79 |
28 |
100 |
433 |
5.9 |
77 |
50 |
570 |
4.0 |
75 |
32 |
665 |
3.1 |
72 |
40 |
70 |
493 |
4.9 |
74 |
35 |
638 |
3.2 |
72 |
23 |
737 |
2.6 |
68 |
49 |
57 |
452 |
3.8 |
72 |
29 |
581 |
2.5 |
69 |
18 |
667 |
1.9 |
66 |
56 |
50 |
364 |
2.7 |
71 |
25 |
465 |
1.8 |
69 |
16 |
532 |
1.4 |
64 |
70 |
40 |
381 |
2.3 |
68 |
20 |
483 |
1.6 |
64 |
13 |
551 |
1.2 |
60 |
80 |
35 |
390 |
2.2 |
66 |
18 |
491 |
1.5 |
62 |
11 |
559 |
1.1 |
58 |
100 |
28 |
355 |
1.7 |
62 |
14 |
444 |
1.1 |
57 |
9 |
503 |
0.89 |
53 |
Редуктор RMI 130
ir |
n1=2800,об/мин |
n1=1400,об/мин |
n1=900,об/мин |
n2,
об/мин |
T2M,
Н*м |
P,
кВт |
RD
% |
n2,
об/мин |
T2M,
Н*м |
P,
кВт |
RD
% |
n2,
об/мин |
T2M,
Н*м |
P,
кВт |
RD
% |
7 |
400 |
501 |
24 |
88 |
200 |
706 |
16.8 |
88 |
129 |
855 |
13.2 |
87 |
10 |
280 |
574 |
19.3 |
87 |
140 |
791 |
13.3 |
87 |
90 |
946 |
10.5 |
85 |
15 |
187 |
622 |
14.5 |
84 |
93 |
840 |
9.8 |
84 |
60 |
993 |
7.5 |
83 |
20 |
140 |
686 |
12.1 |
83 |
70 |
915 |
8.1 |
83 |
45 |
1073 |
6.2 |
82 |
28 |
100 |
607 |
8.4 |
76 |
50 |
805 |
5.5 |
76 |
32 |
941 |
4.2 |
75 |
40 |
70 |
693 |
6.9 |
74 |
35 |
903 |
4.5 |
73 |
23 |
1045 |
3.5 |
71 |
49 |
57 |
681 |
5.7 |
72 |
29 |
880 |
3.8 |
70 |
18 |
1014 |
2.8 |
69 |
56 |
50 |
636 |
4.6 |
72 |
25 |
814 |
3.1 |
69 |
16 |
935 |
2.3 |
68 |
70 |
40 |
639 |
3.9 |
69 |
20 |
812 |
2.5 |
67 |
13 |
928 |
2.0 |
62 |
80 |
35 |
616 |
3.3 |
68 |
18 |
778 |
2.2 |
64 |
11 |
886 |
1.7 |
60 |
100 |
28 |
551 |
2.5 |
64 |
14 |
691 |
1.7 |
59 |
9 |
785 |
1.3 |
55 |
Редуктор RMI 150
ir |
n1=2800, об/мин |
n1=1400, об/мин |
n1=900, об/мин |
n2,
об/мин |
T2M,
Н*м |
P,
кВт |
RD
% |
n2,
об/мин |
T2M,
Н*м |
P,
кВт |
RD
% |
n2,
об/мин |
T2M,
Н*м |
P,
кВт |
RD
% |
7 |
400 |
754 |
36 |
88 |
200 |
1070 |
25 |
88 |
129 |
1300 |
20 |
87 |
10 |
280 |
850 |
29 |
87 |
140 |
1180 |
19.9 |
87 |
90 |
1420 |
15.6 |
86 |
15 |
187 |
935 |
22 |
85 |
93 |
1270 |
14.6 |
85 |
60 |
1500 |
11.4 |
83 |
20 |
140 |
1070 |
18.7 |
84 |
70 |
1430 |
12.5 |
84 |
45 |
1680 |
9.7 |
82 |
28 |
100 |
965 |
13.1 |
77 |
50 |
1280 |
8.8 |
76 |
32 |
1500 |
6.8 |
74 |
40 |
70 |
1070 |
10.3 |
76 |
35 |
1400 |
6.8 |
75 |
23 |
1630 |
5.3 |
73 |
49 |
57 |
1020 |
8.2 |
74 |
29 |
1320 |
5.6 |
71 |
18 |
1530 |
4.3 |
69 |
56 |
50 |
1018 |
7.2 |
74 |
25 |
1306 |
4.7 |
73 |
16 |
1500 |
3.7 |
68 |
70 |
40 |
927 |
5.5 |
70 |
20 |
1183 |
3.7 |
67 |
13 |
1355 |
2.9 |
63 |
80 |
35 |
896 |
4.8 |
69 |
18 |
1136 |
3.2 |
66 |
11 |
1297 |
2.5 |
62 |
100 |
28 |
818 |
3.6 |
66 |
14 |
1029 |
4 |
62 |
9 |
1169 |
1.9 |
58 |
Редуктор RMI 180
ir |
n1=2800, об/мин |
n1=1400, об/мин |
n1=900, об/мин |
n2,
об/мин |
T2M,
Н*м |
P,
кВт |
RD
% |
n2,
об/мин |
T2M,
Н*м |
P,
кВт |
RD
% |
n2,
об/мин |
T2M,
Н*м |
P,
кВт |
RD
% |
7 |
400 |
1015 |
48 |
89 |
200 |
1510 |
36 |
89 |
129 |
1840 |
28 |
88 |
10 |
280 |
1190 |
40 |
88 |
140 |
1650 |
27 |
88 |
90 |
1990 |
22 |
87 |
15 |
187 |
1315 |
30 |
86 |
93 |
1800 |
20 |
86 |
60 |
2140 |
15.8 |
85 |
20 |
140 |
1515 |
26 |
84 |
70 |
2037 |
17.8 |
84 |
45 |
2400 |
13.6 |
83 |
28 |
100 |
1400 |
18.3 |
80 |
50 |
1870 |
12.4 |
79 |
32 |
2200 |
9.6 |
77 |
40 |
70 |
1525 |
14.9 |
75 |
35 |
2000 |
9.8 |
75 |
23 |
2330 |
7.5 |
73 |
49 |
57 |
1600 |
12.9 |
74 |
29 |
2080 |
8.4 |
74 |
18 |
2415 |
6.5 |
72 |
56 |
50 |
1630 |
11.5 |
74 |
25 |
2103 |
7.5 |
73 |
16 |
2423 |
5.7 |
71 |
70 |
40 |
1482 |
8.6 |
72 |
20 |
1900 |
5.9 |
68 |
13 |
2182 |
4.5 |
66 |
80 |
35 |
1424 |
7.6 |
69 |
18 |
1816 |
5.0 |
67 |
11 |
2079 |
3.8 |
65 |
100 |
28 |
1281 |
5.8 |
65 |
14 |
1622 |
3.8 |
63 |
9 |
1850 |
2.8 |
61 |
Назад
Вес червячных редукторов серии RMI, кг
RMI 28 |
0,9 |
RMI 40 |
2 |
RMI 50 |
3 |
RMI 63 |
5 |
RMI 70 |
8 |
RMI 85 |
13 |
RMI 110 |
35 |
RMI 130 |
48 |
RMI 150 |
60 |
RMI 180 |
94 |
|
| |
|
| ©
2014 Редукторы, мотор-редукторы, устройства плавного пуска, преобразователи частоты |
|
|